Home 

Tandon TM100-2  -  Miscellaneous


Single versus double sided

Tracks per inch (TPI) sticker

Drive-select jumper

Terminator - When to fit
Terminator - Details

Write protect - Photo
Write protect - Circuit

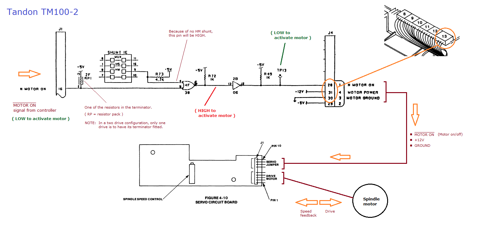
Motor on - Circuit - 1
Motor on - Circuit - 2

Known problems/issues when used in IBM 5150/5155/5160