| Home |
| Date | August 1981 |
| Document | IBM 5150 - Technical Reference - First Edition (August 1981) |
| Page | 2-8 |
| Error | "and require five clocks or approximately 7% of the bus bandwidth." should be, "and require four clocks or approximately 5.6% of the bus bandwidth". |
| Notes | • Per page 2-4, refresh DMA cycles are 4 clocks long. • 4 clocks in 72 equates to 5.6% • The clock count portion has been corrected in later editions of the manual. |
| Date | August 1981 |
| Document | IBM 5150 - Technical Reference - First Edition (August 1981) |
| Page | 2-36 |
| Error | "for a maximum of 5 seconds" should be, "for a minimum of 5 seconds". |
| Note | Seen fixed in the 1984 edition of the manual. |
| Date | April 1983 |
| Document | IBM 5150 - Technical Reference - Revised Edition (July 1982) |
| Page | Page D-10 (System Board - Logic 11 of 12) |
| Background | U80, a 74LS125, contains four tri-state buffers. |
| Error | The buffer in U80 that has its output pin connected to the Keyboard Clock ('KYB CLK') line, has its output pin incorrectly labelled as pin 1. It should be pin 11. |
| Date | April 1983 |
| Document | IBM 5160 - Technical Reference - Revised Edition (April 1983) |
| Page | 1-14 |
| Error | "and require four clocks or approximately 7% of the bus bandwidth." should be, "and require four clocks or approximately 5.6% of the bus bandwidth". |
| Note | • 4 clocks in 72 equates to 5.6%, not 7% • Seen corrected in 'Revised Edition (March 1986)' edition of the 5155/5160 tech. ref. |
| Date | April 1983 |
| Document | IBM 5160 - Technical Reference - Revised Edition (April 1983) |
| Page | 1-67 |
| Error | In the diagram, the connection from the Keyboard Clock ('KYB CLK') line to the 74LS175 is incorrect. The Keyboard Clock ('KYB CLK') line should be shown as being connected to the 'D' pin of the 74LS175's first flip-flop. |
| Date | April 1983 |
| Document | IBM 5160 - Technical Reference - Revised Edition (April 1983) |
| Page | Page D-4 (System Board - Sheet 3 of 10) |
| Error | The signal coming into pin 10 of U57 is labeled as "MEMR". That is incorrect. The signal is YMEMR (which is MEMR that has been suitably delayed). |
| Note | Seen corrected in 'Revised Edition (March 1986)' edition of the 5155/5160 tech. ref. |
| Date | January 1984 |
| Document | IBM 5155 - Guide to Operations - First Edition (January 1984) |
| Page | 4-81 |
| Error | Wrongly indicates that for 256 KB of motherboard RAM, switch 3 is set off and switch 4 is set on. The correct information is that on an IBM 5155 motherboard, both switches 3 and 4 must be set off for 256 KB (i.e. all four RAM banks enabled). |
| Comment | AST refers to this error in the third paragraph of here. |
| Date | March 1984 |
| Document | IBM 5170 - Technical Reference - First Edition (March 1984) |
| Page | 1-77 |
| Error | Click here to see. |
| Date | April 1984 |
| Document | IBM 5150 - Technical Reference - Revised Edition (April 1984) |
| Page | 1-15 |
| Error | "and require four clocks or approximately 7% of the bus bandwidth." should be, "and require four clocks or approximately 5.6% of the bus bandwidth". |
| Note | 4 clocks in 72 equates to 5.6%, not 7% |
| Date | April 1984 |
| Document | IBM 5150 - Technical Reference - Revised Edition (April 1984) |
| Page | 1-37 |
| Error | 1. /IOR, /IOW, /MEMR, and /MEMW lines mixed up. 2. Shown values of RN1 and RN3 are incorrect. |
| Note | See here. |
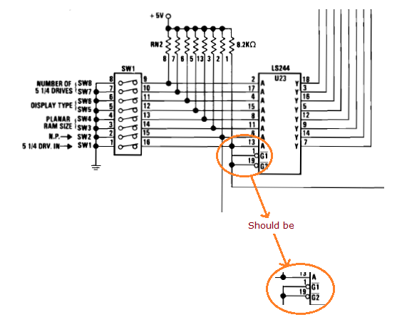
| Date | April 1984 |
| Document | IBM 5150 - Technical Reference - Revised Edition (April 1984) |
| Page | 1-45 |
| Error | Part of the circuit diagram around chip U23 is incorrect. See here. |
| Note | Good in the earlier edition of the manual (for the earlier type of motherboard). |
| Date | April 1984 |
| Document | IBM 5150 - Technical Reference - Revised Edition (April 1984) |
| Page | 4-4 |
| Error | In the diagram, the connection from the Keyboard Clock ('KYB CLK') line to the 74LS175 is incorrect. The Keyboard Clock ('KYB CLK') line should be shown as being connected to the 'D' pin of the 74LS175's first flip-flop. |
| Note | Diagram in the 'First Edition (August 1981)' edition is correct. |
| Date | August 1984 |
| Document | IBM Options and Adapters - IBM Monochrome Display |
| Pages | 6 and 7 (circuit diagrams) |
| Error | In the diagrams, pins 2 and 3 on IC601 are around the wrong way. Click here to see my correction (in red). |
| Date | August 1984 |
| Document | IBM Options and Adapters - IBM Monochrome Display and Printer Adapter |
| Page | 26 (sheet 8 of circuit diagram) |
| Error | In the diagram, pins 12 and 13 on U38 are around the wrong way. Click here to see my correction (in red). |
| Date | August 1984 |
| Document | IBM Options and Adapters - IBM Printer Adapter |
| Page | Pages 4 and 5 |
| Error | • On page 4, the two occurences of '3BC' should be '378'. • On page 5, '3BE' should be '37A'. |
| Comment | I can see how this happened. The author has used text in the 'IBM Monochrome Display and Printer Adapter' document as a template, failing to change all occurences of the port numbers. |
| Date | August 1984 |
| Document | IBM Options and Adapters - Serial/Parallel Adapter |
| Page | 20 |
| Error | In the diagram, the port numbers are swapped. Click here to see my correction (in red). |
| Date | September 1985 |
| Document | IBM 5170 - Technical Reference - First Edition (September, 1985) |
| Page | 1-4 |
| Error #1 | Indicates that a type 1 motherboard has 4 banks of RAM On a type 1 motherboard, there are only 2 banks, as indicated by the photo at here. Note: IBM has the bank count correct in the MAR84 edition. |
| Error #2 | Indicates that a type 2 motherboard has 2 banks of RAM On a type 2 motherboard, there is only 1 bank (where 1 bank = 16 data chips + 2 parity chips). |
| Date | March 1986 |
| Document | IBM 5155/5160 - Technical Reference - Revised Edition (March 1986) |
| Pages | x and 5-1 |
| Error | Refers to a '11/22/85' BIOS. That should be '01/10/86' instead. |
| Date | March 1986 |
| Document | IBM 5155/5160 - Technical Reference - Revised Edition (March 1986) |
| Pages | 1-37 and 1-49 |
| Error | The pin numbering of the delay line is wrong. Left to right, it should be 12,4,10,6,8 per the 14-pin diagram at here. |
| Note | Other manuals have it correct. |
| Date | March 1986 |
| Document | IBM 5155/5160 - Technical Reference - Revised Edition (March 1986) |
| Page | 4-5 |
| Error | In the diagram, the connection from the Keyboard Clock ('KYB CLK') line to the 74LS175 is incorrect. The Keyboard Clock ('KYB CLK') line should be shown as being connected to the 'D' pin of the 74LS175's first flip-flop. |
| Date | March 1986 |
| Document | IBM 5170 - Technical Reference - Revised Edition (March, 1986) |
| Page | 1-4 |
| Error #1 | Indicates that a type 1 motherboard has 4 banks of RAM On a type 1 motherboard, there are only 2 banks, as indicated by the photo at here. Note: IBM has the bank count correct in the MAR84 edition. |
| Error #2 | Indicates that a type 2 motherboard has 2 banks of RAM On a type 2 motherboard, there is only 1 bank (where 1 bank = 16 data chips + 2 parity chips). |
| Date | March 1986 |
| Document | • IBM 5170 - Technical Reference - First Edition (September, 1985) • IBM 5170 - Technical Reference - Revised Edition (March, 1986) |
| Page | 1-92 |
| Error | Click here to see. Note: Shown correctly on a later page: page 1-113 |
| Date | ????? |
| Document | IBM Options and Adapters - Color/Graphics Monitor Adapter (CGA) |
| Page | 5 |
| Error | "16 bytes" should be, "16K bytes". |
| Date | ????? |
| Document | IBM Options and Adapters - Asynchronous Communications Adapter |
| Page | 33 |
| Error | In the circuit diagram, jumper J13 is incorrectly labelled as J1. |
| Date | March 1986 |
| Document | IBM Options and Adapters - 128KB/640KB Memory Expansion Option |
| Page | 1 |
| Error | The 'Memory Module Location' diagram shows the wrong order of bits. |
| Date | Various |
| Document | Various for IBM 5150 and IBM 5160 |
| Error | Reports of IBM getting the switch setting wrong for the math coprocessor. See here. |
| Date | April 1983 |
| Document | IBM 5160 - Technical Reference - Revised Edition (April 1983) |
| Page | Page D-11 (System Board - sheet 10 of 10) |
| Error | ".047 PF" should be ".047 UF". Based on the fact that the fitted capacitors have "473" printed on them. |
| Note | Error also seen in other Technical Reference manuals for the 5160. |
| Date | March 1986 |
| Document | IBM 5155/5160 - Technical Reference - Revised Edition (March 1986) |
| Page | Page 1-56 (256/640K System Board - sheet 10 of 11) |
| Error | ".047 PF" should be ".047 UF". Based on the fact that the fitted capacitors have "473" printed on them. |
| Note | Error also seen in other Technical Reference manuals for the 5160. |
| Date | August 1986 |
| Document | IBM 5162 - Technical Reference - First Edition (August 1986) |
| Page | Page 1-81 (System Board - sheet 5 of 22) |
| Error | Pin numbering of J10 is incorrect. |
| Date | ????? |
| Document | Options and Adapters - IBM Expansion Unit |
| Page | Circuit diagrams |
| Error | Read the two 'Mistakes in the IBM Schematic' sections in the web page at here. |
| Date | |
| Documents | • IBM 5170 - Technical Reference - First Edition (March 1984) • IBM 5170 - Technical Reference - First Edition (September, 1985) • IBM 5170 - Technical Reference - Revised Edition (March, 1986) |
| Section | Source code listing for motherboard BIOS. |
| Page | Page 5-59 of First Edition (March 1984) Page 5-65 of First Edition (September, 1985) Page 5-57 of Revised Edition (March, 1986) |
| Error | Error in description of 203 error - see here. |
| Date | Various |
| Documents | Various |
| Issue | Some incorrect representation of the 55,AA byte sequence. See the web page at here. |