Home

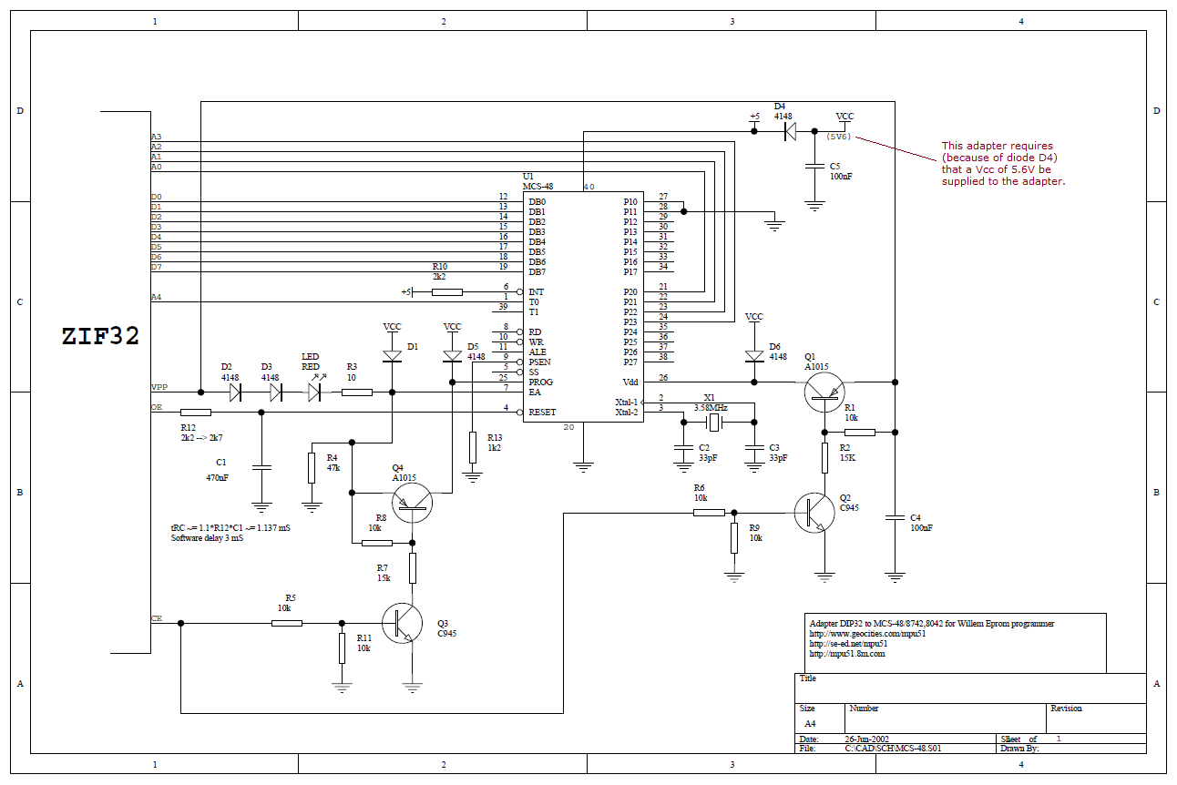
Willem MCS-48 adapter

The Willem MCS-48 adapter is an option for certain Willem programmers.


Photo - Programming an Intel D8742

Photo - Use of cheap IC socket

Programming the D8749H     <---- Note the 'H'

Circuit diagram




Related Information

Related to programming MCS-48 family devices.

Part of the discussion at here concerns a possible situation of over-current on the PROG pin.